2306 Greenfield Dr. Pocatello, ID 83201
Under Construction
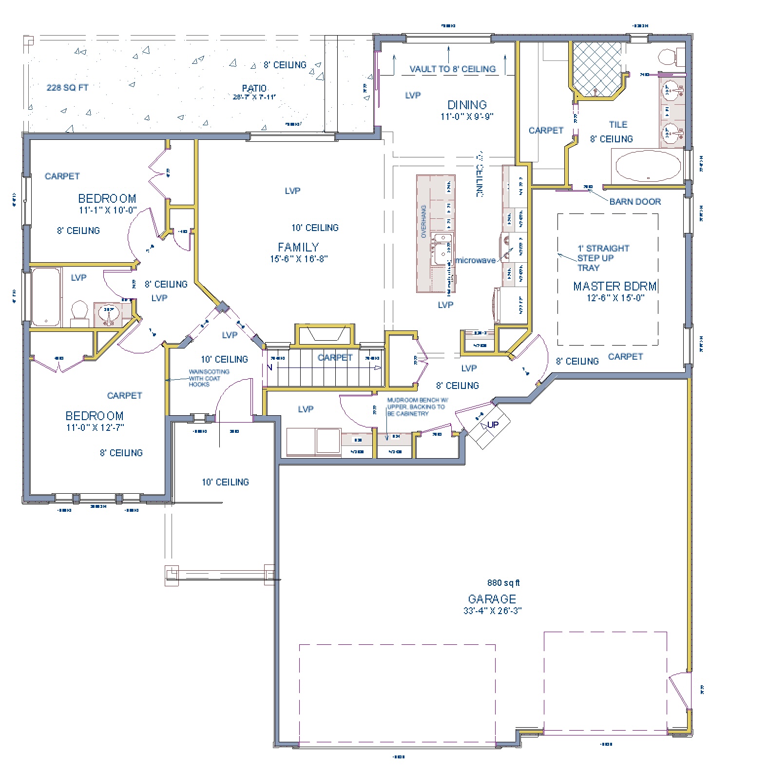
Floor Plan:
Hansen Heights
Community:
Greenfield Meadows
3138
Total
2348
Finished
3
Beds
2
Baths
3
Car
0.24
Acres
For More Information


Description
Beautiful new construction home offering 3,138 total sq ft, with 2,348 sq ft thoughtfully finished. The main level features 3 spacious bedrooms and 2 bathrooms, along with a well-designed laundry room and functional mudroom. Enjoy the open living space and step out to a covered back patio perfect for relaxing or entertaining. The partially finished basement includes a large family room with room to grow, offering potential for 2 additional bedrooms and a bathroom. Ample storage throughout and a 3-car garage complete this versatile and inviting home.





-p-500.jpg)


